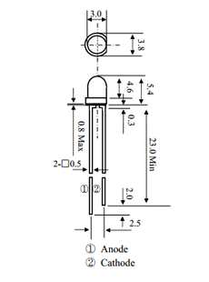
Part Number : OPE5794
Function : 3mm LED / GaAlAs Infrared Emitter
Manufacturer : Unspecified
Pinout :
Description
The OPE5794is GaAlAs infrared emitting diode that is designed for high radiant intensity and low forward voltage .This deviceis optimized for efficiencat emission wavelength 940nm and has a high radiant efficiency over a wide range of forward current.
This device is packaged T1 plastic package and has medium beam angle with lensed package and cup frame

