Part Number : K2985
Function : N CHANNEL MOS TYPE (HIGH SPEED/ HIGH VOLTAGE SWITCHING/ CHOPPER REGULATOR/ DC-DC CONVERTER/ RELAY DRIVE AND MOTOR DRIVE APPLICATIONS)
Manufacturer : Toshiba
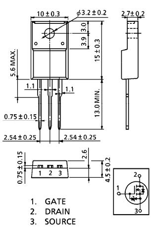
Pinout :
Description
DC−DC Converter, Relay Drive and Motor Drive Applications
* Low drain−source ON resistance : RDS (ON)= 4.5 mΩ(typ.)
* High forward transfer admittance : |Yfs| = 70 S (typ.)
* Low leakage current : IDSS= 100 µA (max) (VDS= 60 V)
* Enhancement−mode : Vth= 1.3~2.5 V (VDS= 10 V, ID= 1mA)



