Part Number : K1122
Function : Switching N-channel Power MOS FET Industrial Use
Manufacturer : NEC => Renesas Technology
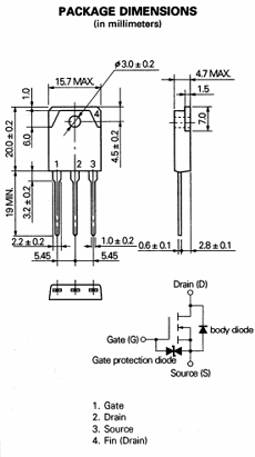
Pinout :
Description
The 2SK1122 is N-channel MOS Field Effect Transistor designed for solenoid, motor and lamp driver.


