Part Number : BA3918
Function : System power supply for car stereo
Manufacturer : ROHM Semiconductor
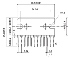
Pinout :
Description
The BA3918 is a single-chip power supply IC for use in car audio systems. One 5.6V output for a microcontroller, three 8.7V outputs, and two outputs interlocked by BACKUP and ACC systems are built in.


