Part Number : 2N3905
Function :Silicon PNP Transistor
Manufacturer : NTE Electronics
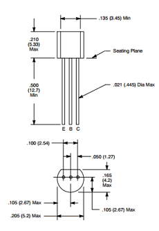
Pinout :
Description
Collector−Emitter Voltage, Vceo : 40V
Collector−Base Voltage, Vcbo : 40V
Emitter−Base Voltage, Vebo : 5V
Continuous Collector Current, Ic : 200mA
Total Device Dissipation (TA= +25C), Pd : 625mW
Derate Above 25’C : 5.0mW/’C

