Part Number : 2N3441
Function : MEDIUM POWER SILICON NPN TRANSISTOR
Manufacturer : Semelab – > TT Electronics plc
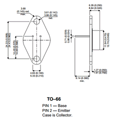
Pinout :
Description
• Low Saturation Voltages
• High Voltage Ratings
• Maximum Safe–Operating–Area Curves for DC and Pulse Operation.

