Part Number : 1.5SMCJ100A
Function : 1.5SMCJ SERIES / 1500W SURFACE MOUNT TRANSIENT VOLTAGE SUPPRESSORS
Manufacturer : Won-Top Electronics
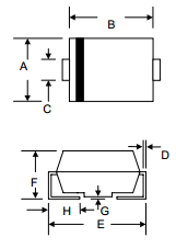
Pinout :
Description
* Glass Passivated Die Construction
* 1500W Peak Pulse Power Dissipation
* 5.0V – 170V Standoff Voltage
* Uni- and Bi-Directional Versions Available
* Excellent Clamping Capability
* Fast Response Time
* Plastic Case Material has UL Flammability
* Classification Rating 94V-O
Datasheet PDF Download
Other datasheets in the file :
1.5SMCJ10,1.5SMCJ100,1.5SMCJ100A,1.5SMCJ100C,1.5SMCJ100CA
