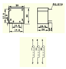
Part Number : ZKB421
Function : KBC Series SCR Triiger transformer
Manufacturer : Unspecified
Pinout :
Description
* Closed directly welded on PCB
* Mechanical and environmental isolation capability, high dielectric strength between windings.
* Self constitue the required ratio to fit the trigger requirements.
* Use as a normal pulse transformer can complete with all the capacity SCR.
Datasheet PDF Download
Other datasheets in the file :
KCB-01/K202A,KCB-02A,KCB-02B,KCB-02C,KCB-05/K101A
