Part Number : TSH151IN
Function : WIDE BANDWIDTH AND MOS INPUTS SINGLE OP-AMPS
Manufacturer : STMicroelectronics
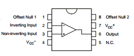
Pinout :
Description
Features
■ LOW DISTORTION
■ GAIN BANDWIDTH PRODUCT : 300MHz
■ GAIN OF 2 STABILITY
■ SLEW RATE : 400V/µs
■ VERY FAST SETTLING TIME : 60ns (0.1%)
■ VERY HIGH INPUT IMPEDANCE
DESCRIPTION
The TSH321 is a wideband monolithic operational amplifier, requiring a minimum close loop gain of 2 for stability.
Datasheet PDF Download
Other datasheets in the file :
TSH151C,TSH151I,TSH151ID,TSH151IN,TSH321
