Part Number : TPS62130
Function : 3-17V 3A Step-Down Converter in 3×3 QFN Package / Input Voltage Range: 3 to 17V
Manufacturer : Texas Instruments
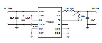
Pinout :
Description
DESCRIPTION
The TPS6213X family is an easy to use synchronous step down DC-DC converter optimized for applications with high power density. A high switching frequency of typically 2.5MHz allows the use of small inductors and provides fast transient response as well as high output voltage accuracy by utilization of the DCS-Control™ topology.
FEATURES
• DCS-Control Topology
• Input Voltage Range: 3 to 17V
• Up to 3A Output Current
• Adjustable Output Voltage from 0.9 to 6V
• Pin-Selectable Output Voltage (nominal, + 5%
• Programmable Soft Start and Tracking
• Seamless Power Save Mode Transition
• Quiescent Current of 17µA (typ.)
• Selectable Operating Frequency
• Power Good Output
• 100% Duty Cycle Mode
• Short Circuit Protection
• Over Temperature Protection
• Available in a 3 × 3 mm, QFN-16 Package
Datasheet PDF Download
Other datasheets in the file :
TPS62130,TPS62130A,TPS62130ARGTR,TPS62130ARGTT,TPS62130RGTR
