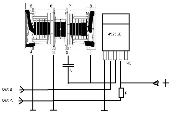
TMS91429CT Schematic

Part Number : TMS91429CT

Function : TMS91429CT Inverter Transformer

Manufacturer : Unspecified

Pinout :

TMS91429CT datasheet

Description

Datasheet PDF Download

TMS91429CT pdf

Other datasheets in the file :
TMS91429CT
Datasheet PDF

This entry was posted in Uncategorized. Bookmark the permalink.