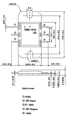
Part Number : TMD1414-2C
Function : MICROWAVE POWER MMIC AMPLIFIER
Manufacturer : Toshiba
Pinout :
Description
– HIGH POWER
P1dB=34.5dBmat 13.75GHz to 14.5GHz
– HIGH GAIN
G1dB=26.0dB at 13.75GHz to 14.5GHz
– BROAD BAND INTERNALLY MATCHED
– HERMETICALLY SEALED PACKAGE

