Part Number : SUB85N06-05
Function : N-Channel 60-V (D-S) 175C MOSFET
Manufacturer : Vishay Semiconductors
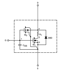
Pinout :
Description
CHARACTERISTICS
• N-Channel Vertical DMOS
• Macro Model (Subcircuit Model)
• Level 3 MOS
• Apply for both Linear and Switching Application
• Accurate over the −55 to 125°C Temperature Range
• Model the Gate Charge, Transient, and Diode Reverse Recovery
Characteristics

