Part Number : SR220
Function : Reverse voltage 20.00V; 2.0A schottky barrier rectifier
Manufacturer : ComChip
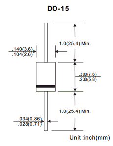
Pinout :
Description
SB220E-G thru SB2100E-G
Voltage Range: 20 to 100 V
Current: 2.0 A
Datasheet PDF Download
Other datasheets in the file :
SB2100E,SB2100E-G,SB220,SB220-T3,SB220-TB
