Part Number : RD70HVF1
Function : RoHS Compliance, Silicon MOSFET Power Transistor, 175MHz70W 520MHz,50W
Manufacturer : MITSUBISHI ELECTRIC
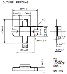
Pinout :
Description
RD70HVF1 is a MOS FET type transistor specifically designed for VHF/UHF High power amplifiers applications.
RoHS COMPLIANT
RD70HVF1-101 is a RoHS compliant products. RoHS compliance is indicate by the letter “G” after
the Lot Marking.

