Part Number : RD2004LN
Function : RD2004LN / Ultrahigh-Speed Switching Diode / Diffused Juction Silicon Diode
Manufacturer : SANYO -> Panasonic
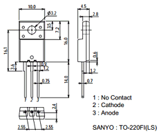
Pinout :
Description
* High breakdown voltage( Vrrm = 400V)
* High reliability
* One-point fixing type plastic molded package facilitatting easy mounting and heat dissipation.
* Fast forward / reverse recovery time.
Datasheet PDF Download
Other datasheets in the file :
RD2004LN

