Part Number : MJ1500
Function : NPN PLANAR SILICON TRANSISTOR
Manufacturer : Wing Shing International Group
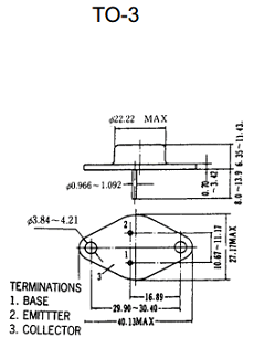
Pinout :
Description
AUDIO POWER AMPLIFIER
DC TO DC CONVERTER
* High Current Capability
* High Power Dissipation
* Complementary to MJ15002

