Part Number : MA8920
Function :MA8000 Series / Low power consumption power supply IC module standby
Manufacturer : Unspecified
Pinout :
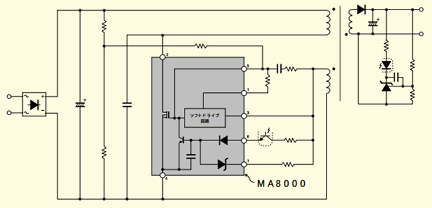
Description
MA8000 series is contributing power supply IC module to the energy-saving measures in the standby mode. This product is the main and control circuit.
The integrated switches, you can configure the quasi-resonant converter RCC with few external components. Power conventional design methods.
At I can achieve low power consumption during standby power of high efficiency and low noise.
Datasheet PDF Download
Other datasheets in the file : MA8910,MA8920, MA8920-4100, MA8930

