Part Number : L293DDWPTR
Function : QUADRUPLE HALF-H DRIVERS
Manufacturer : Texas Instruments
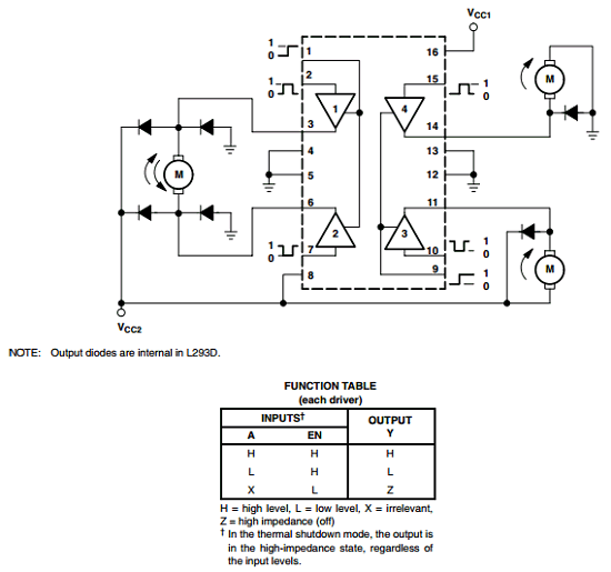
Pinout :
Description
The L293 and L293D are quadruple high-current half-H drivers. The L293 is designed to provide bidirectional drive currents of up to 1 A at voltages from 4.5 V to 36 V. The L293D is designed to provide bidirectional drive currents of up to 600-mA at voltages from 4.5 V to 36 V.
Datasheet PDF Download
Other datasheets in the file :
L293,L293D,L293DDWP,L293DDWPTR,L293DN

