Part Number : KTC3964
Function : EPITAXIAL PLANAR NPN TRANSISTOR / HIGH CURRENT APPLICATION.
Manufacturer : KEC
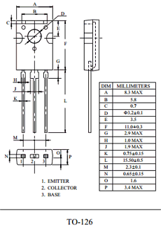
Pinout :
Description
* High DC current gain : hFE = 500(min) (IC=400mA)
* Low Collector emitter saturation voltage :
VCE(sat)=0.5V(max) (IC=300mA)

