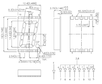
Part Number : KPSA56-101
Function : SURFACE MOUNT DISPLAY
Manufacturer : Kingbright
Pinout :
Description
The High Efficiency Red source color devices
are made with Gallium Arsenide Phosphide on
Gallium Phosphide Orange Light Emitting Diode.

