Part Number : KIA79S05P
Function : THREE TERMINAL NEGATIVE VOLTAGE REGULATORS
Manufacturer : KEC
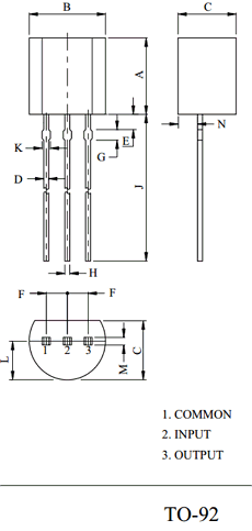
Pinout :
Description
* Best Suited to a Power Supply for TTL and CMOS.
* Built-in Overcurrent Protective Circuit.
* Built-in Thermal Protective Circuit.
* Max. Output Current 150mA (Tj=25 ).
* Packaged in TO-92.
Datasheet PDF Download
Other datasheets in the file :
KIA79S05P,KIA79S06P,KIA79S08P,KIA79S09P,KIA79S10P
