Part Number : KF5N50D
Function : N CHANNEL MOS FIELD EFFECT TRANSISTOR / DPAK Package
Manufacturer : KEC
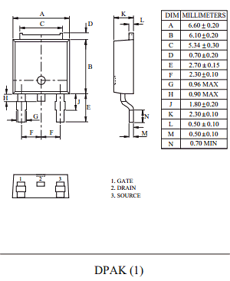
Pinout :
Description
This planar stripe MOSFET has better characteristics, such as fast switching time, low on resistance, low gate charge and excellent avalanche characteristics.
It is mainly suitable for electronic ballast and switching mode power supplies.
· V DSS= 500V, I D= 4.3A
· Drain-Source ON Resistance : R DS(ON)=1.4Ω(Max) @V GS= 10V
· Qg(typ) = 12nC

