Part Number : K2669
Function : N-channel high-speed switching MOSFET transistor
Manufacturer : Shindengen
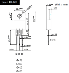
Pinout :
Description
● Input capacitance (Ciss) is small. Especially, input capacitance at 0 biass is small.
● The static Rds(on) is small.
● The switching time is fast.
● Avalanche resistance guaranteed.

