Part Number : HR911105A
Function : HR911105 Network Transformer HanRun / Single Port 45 Connector
Manufacturer : Unspecified
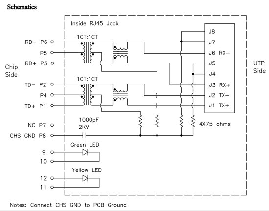
Pinout :
Description
* Designed for Network Interface Card Application
* Meets or Exceeds IEEE802.3 standards including 360uH Min OCL with 8mADC
* High performance for EMI suppression, Crosstalk, Return Loss and Consistent Electrical.


