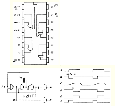
FZH111A Schematic

Part Number : FZH111A
Function :DIP 16P
Manufacturer : Siemens AG

Pinout :
FZH111A datasheet

Description

Datasheet PDF Download

FZH111A pdf

Other datasheets in the file : FZH111A
Datasheet PDF

This entry was posted in Uncategorized. Bookmark the permalink.