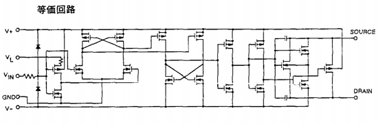
DG402 Schematic

Part Number : DG402
Function :Low Power High Speed CMOS Analog Switch
Manufacturer : Unspecified

Pinout :
DG402 datasheet

Description

 

Datasheet PDF Download

DG402 pdf

Other datasheets in the file : DG402
Datasheet PDF

This entry was posted in Uncategorized. Bookmark the permalink.