Part Number : CV7765
Function : CV7765 transistor – Bipolar NPN Device.
Manufacturer : Semelab – > TT Electronics plc
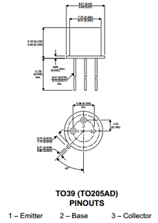
Pinout :
Description
Bipolar NPN Device in a Hermetically sealed TO39 Metal Package.
Vceo = 40V, Ic = 0.8A
1pico = 0.000000000001
Part Number : CV7765
Function : CV7765 transistor – Bipolar NPN Device.
Manufacturer : Semelab – > TT Electronics plc
Pinout :
Bipolar NPN Device in a Hermetically sealed TO39 Metal Package.
Vceo = 40V, Ic = 0.8A