Part Number : C5177
Function : NPN EPITAXIAL SILICON TRANSISTOR IN MINI-MOLD PACKAGE FOR LOW-NOISE MICROWAVE AMPLIFICATION
Manufacturer : NEC => Renesas Technology
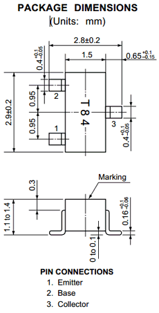
Pinout :
Description
• Low Current Consumption and High Gain
• Mini-Mold package EIAJ: SC-59
Datasheet PDF Download
Other datasheets in the file :
2SC5177,2SC5177-T1,2SC5177-T2,C5177
