Part Number : C3021
Function : RF Power Transistor / NPN Epitaxial Planar Type
Manufacturer : MITSUBISHI ELECTRIC
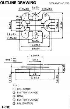
Pinout :
Description
2SC3021 is a silicon NPN epitaxial planar type transistor specifically designed for UHF power amplifier applications.

