Part Number : C1623
Function : AUDIO FREQUENCY GENERAL PURPOSE AMPLIFIER NPN SILICON EPITAXIAL TRANSISTOR MINI MOLD
Manufacturer : NEC => Renesas Technology
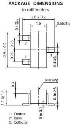
Pinout :
Description
• High DC Current Gain: hFE= 200 TYP. (VCE= 6.0 V, IC= 1.0 mA)
• High Voltage: VCEO= 50 V

