B1642 Schematic

Part Number : B1642

Function : TRANSISTOR (AUDIO FREQUENCY POWER AMPLIFIER APPLICATIONS)

Manufacturer : Toshiba

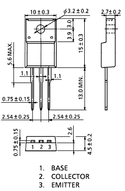
Pinout :

B1642 datasheet

Description

 

* Low Collector Saturation Voltage

Datasheet PDF Download

B1642 pdf

Other datasheets in the file :
2SB1642,B1642

This entry was posted in Uncategorized. Bookmark the permalink.