Part Number : AD8170
Function : 2 Channel Buffered, 250mHz, 0.1dB=85mHz, 1000V/usec, DIFF Phase/Gain .05/.02, 10nesc Switch, Iq=7.5mA, +/-5V RAILS, Vout= +/-3.8V, Iout=50mA
Manufacturer : Analog Devices
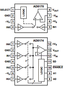
Pinout :
Description
PRODUCT DESCRIPTION
The AD8170(2:1) and AD8174(4:1) are very high speed buffered multiplexers. These multiplexers offer an internal current feedback output amplifier whose gain can be programmed via external resistors and is capable of delivering 50mA of output current. They offer –3 dB signal bandwidth of 250 MHz and slew rate of greater than 1000 V/µs. Additionally, the AD8170 and AD8174 have excellent video specifications with low differential gain and differential phase error of 0.02% and 0.05°and 0.1 dB flatness out to 80 MHz. With a low 78dB of crosstalk and better than 88 dB isolation, these devices are useful in many high speed applications. These are low power devices consuming only 9.7 mA from a ±5 V supply.
FEATURES
Fully Buffered Inputs and Outputs
Fast Channel Switching: 10 ns
Internal Current Feedback Output Amplifier
High Output Drive: 50 mA
Flexible Gain Setting via External Resistor(s)
High Speed
250 MHz Bandwidth, G = +2
1000 V/ms Slew Rate
Fast Settling Time of 15 ns to 0.1%
Low Power: < 10 mA
Excellent Video Specifications (RL= 150 V, G = +2)
Gain Flatness of 0.1 dB Beyond 80 MHz
0.02% Differential Gain Error
0.058Differential Phase Error
Low Crosstalk of –78 dB @ 5 MHz
High Disable Isolation of –88 dB @ 5 MHz
High Shutdown Isolation of –92 dB @ 5 MHz
Low Cost
Fast Output Disable Feature for Connecting Multiple
Devices (AD8174 Only)
Shutdown Feature Reduces Power to 1.5 mA (AD8174 Only)
APPLICATIONS
Pixel Switching for “Picture-In-Picture”
LCD and Plasma Displays
Video Routers
(@ TA= +258C, VS= 65 V, RL= 150 V, G = +2, RF= 499 V(AD8170R), R= 549 V (AD8174R) unless otherwise noted)
Datasheet PDF Download
Other datasheets in the file :
AD8170,AD8170R,AD8174,AD8174R
