Part Number : AD629
Function : Add to Signal Chain Designer
Manufacturer : Analog Devices
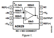
Pinout :
Description
The AD629 is a difference amplifier with a very high input, common-mode voltage range. It is a precision device that allows the user to accurately measure differential signals in the presence of high common-mode voltages up to ±270 V.
The AD629 can replace costly isolation amplifiers in applications that do not require galvanic isolation. The device operates over a ±270 V common-mode voltage range and has inputs that are protected from common-mode or differential mode transients up to ±500 V.
The AD629 has low offset, low offset drift, low gain error drift, low common-mode rejection drift, and excellent CMRR over a wide frequency range.
Datasheet PDF Download
Other datasheets in the file :
AD629,AD629AC-WP,AD629AN,AD629ANZ,AD629AR
