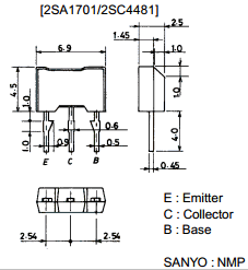
Part Number : A1701
Function : Epitaxial planar silicon transistor, low-frequency general-purpose amp application
Manufacturer : SANYO -> Panasonic
Pinout :
Description
· Large current capacity.
· Low collector-to-emitter saturation voltage.

