A1266 Schematic

Part Number : A1266
Function :Silicon PNP Transistor ( PCT Process )
Manufacturer : KEC

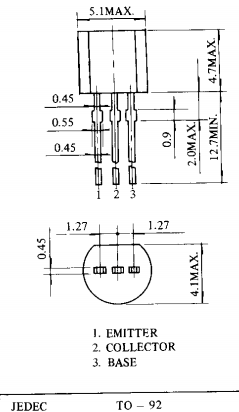
Pinout :
A1266 datasheet

Description

Datasheet PDF Download

A1266 pdf

Other datasheets in the file : 2SA1266,2SA1266L,A1266,A1266L
Datasheet PDF

This entry was posted in Uncategorized. Bookmark the permalink.