Part Number : 2SK3142
Function : Silicon N Channel MOS FET High Speed Power Switching
Manufacturer : Renesas Electronics
Image :
Description
1. Low on-resistance RDS(on)= 4 mΩ typ.
2. Low drive current
3. 4 V gate drive device can be driven from 5 V source
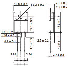
Pinout :

2SK3142 Datasheet PDF Download
Other datasheets in the file : K3142, 2SK3142-E, K3142,K3142-E

