Part Number : 2SK2488
Function : Nch power MOSFET MP-88, 900V/10A
Manufacturer : NEC => Renesas Technology
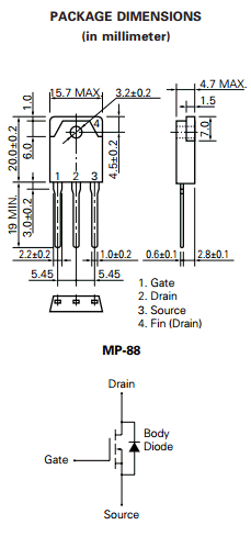
Pinout :
Description
The 2SK2488 is N-Channel MOS Field Effect Transistor designed for high voltage switching applications.
• Low On-Resistance RDS (on)= 1.2 Ω(VGS= 10 V, ID= 5.0 A)
• Low CissCiss= 2 900 pF TYP.
• High Avalanche Capability Ratings

