Part Number : 2SK1596
Function : N-channel power MOS FET
Manufacturer : NEC => Renesas Technology
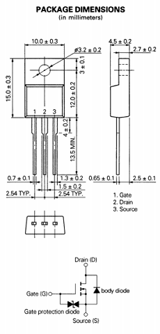
Pinout :
Description
The 2SK1596 is N-channel MOS Field Effect Transistor designed for solenoid, motor and lamp driver.
1pico = 0.000000000001
Part Number : 2SK1596
Function : N-channel power MOS FET
Manufacturer : NEC => Renesas Technology
Pinout :
The 2SK1596 is N-channel MOS Field Effect Transistor designed for solenoid, motor and lamp driver.