Part Number : 2SJ180
Function : P-Channel MOS FET / HIGH-SPEED SWITCHING
Manufacturer : NEC => Renesas Technology
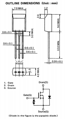
Pinout :
Description
The 2SJ180, P-channel vertical type MOS FET, is a switching device which can be driven directly by the output of ICs having a 5V power source.
As the MOS FET has low on-state resistance and excellent switching characteristtics, it is suitable for driving actuators such as motors, relays, and solenoids.

