2SC3383 Transistor ( NPN )

Part Number : 2SC3383

Function : AF Amp Applications

Manufacturer : SANYO -> Panasonic

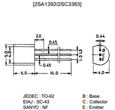
Pinout :

2SC3383 datasheet

Description

· Adoption of FBET process.

· AF amp.

Datasheet PDF Download

2SC3383 pdf

Other datasheets in the file :
2SC3383,C3383
Datasheet PDF

This entry was posted in Uncategorized. Bookmark the permalink.