Part Number : 2SC1947
Function : NPN EPITAXIAL PLANAR TYPE
Manufacturer : MITSUBISHI ELECTRIC
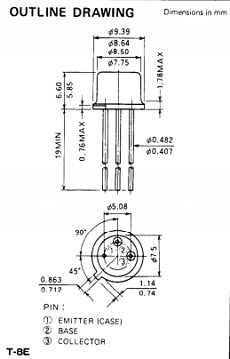
Pinout :
Description
2SC1947 is a silicon NPN epitaxial planar type transistor designed for industrial use RF power amplifiers on VHF band mobile radio applications.
* TO-39 metal seeled package for high reliability.
* Emitter electrode is connected electrically to the case

