Part Number : 2SA1967
Function : High-Voltage Amplifier, High-Voltage Switching Applications
Manufacturer : SANYO -> Panasonic
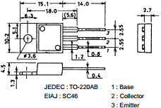
Pinout :
Description
Features
– High breakdown voltage (Vceo min=–900V).
– Small Cob(Cobtyp=2.2pF).
-High reliability (Adoption of HVP process).

