2SA1273 Transistor ( PNP )

Part Number : 2SA1273

Function : PNP Transistors

Manufacturer : KEC

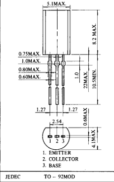
Pinout :

2SA1273 datasheet

Description

* Audio Power Amplifier Applications.

* Complementary to 2SC3205 and 3 Watts Output Applications.

Datasheet PDF Download

2SA1273 pdf

Other datasheets in the file :
2SA1273,A1273
Datasheet PDF

This entry was posted in Uncategorized. Bookmark the permalink.