Part Number : 2SA1225
Function :TRANSISTOR (HIGH CURRENT SWITCHING APPLICATIONS)
Manufacturer : Toshiba
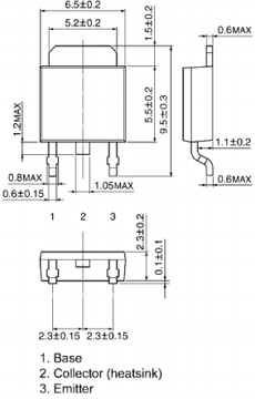
Pinout :
Description
Power Amplifier Applications
Driver Stage Amplifier Applications
• High transition frequency: fT= 100 MHz (typ.)
• Complementary to 2SC2983

Datasheet PDF Download
Other datasheets in the file : 2SA1225, 2SA1225-Y, A1225, A1225-Y
