Part Number : 1N4148
Function :HIGH SPEED SWITCHING DIODES
Manufacturer : DC COMPONENTS
Pinout :
Description
FEATURES
* Silicon epitaxial planar diodes
* Low leakage
* Low forward voltage
* High speed switching
* High current capability
* High reliability
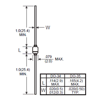
MECHANICAL DATA
* Case: Glass sealed case
* Lead: MIL-STD-202E, Method 208 guaranteed
* Polarity: Color band denotes cathode end
* Mounting position: Any
* Weight: 0.13 gram

