Part Number : YTA630
Function : N-CHANNEL, Si, POWER, MOSFET, TO-220AB
Manufacturer : Toshiba
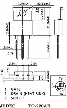
Pinout :
Description
* Low Drain-Source On Resistance : Rds(on) = 0.26Ohm(Typ.)
* High Forward Transfer Admittance : | Yfs | = 8S(Typ.)
* Low Leakage Current : Idss = 100uA (Max.) (Vds = 200V)
* Enhancement-Mode : Vth = 1.5 ~ 3.5V (Vds =10V, Id = 1mA)

