Part Number : VHFD29-08IO1
Function : Half Controlled Single Phase Rectifier Bridge
Manufacturer : IXYS CORPORATION
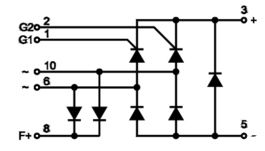
Pinout :
Description
● Package with DCB ceramic base plate
● Isolation voltage 3600 V~
● Planar passivated chips
● Blocking voltage up to 1600 V
● Low forward voltage drop
● Leads suitable for PC board soldering
● UL registered E 72873
Datasheet PDF Download
Other datasheets in the file :
VHFD29-08I01,VHFD29-08IO1,VHFD29-12I01,VHFD29-12IO1,VHFD29-14I01

