Part Number : VFC320
Function : Voltage-to-Frequency and Frequency-to-Voltage CONVERTER
Manufacturer : Texas Instruments
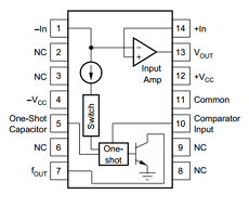
Pinout :
Description
The VFC320 monolithic voltage-to-frequency and frequency-to-voltage converter provides a simple low cost method of convert ing analog signals into digital pulses. The digital output is an open collector and the digital pulse train repetition rate is proportional to the amplitude of the analog input voltage. Output pulses are compatible with TTL, and CMOS logic families.
High linearity (0.005%, max at 10kHz FS) is achieved with relatively few external components. Two external resistors and two external capacitors are required to operate. Full scale frequency and input voltage are determined by a resistor in series with –In and two capacitors (one-shot timing and input amplifier integration). The other resistor is a non-critical open collector pull-up (fOUTto +V CC ). The VFC320 is available in two perfor mance grades. The VFC320 is specified for the –25°C to +85°C, range.

