Part Number : USBDF01W5
Function : EMI FILTER AND LINE TERMINATION FOR USB DOWNSTREAM PORTS
Manufacturer : STMicroelectronics
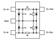
Pinout :
Description
Description
The USB specification requires USB downstream ports to be terminated with pull-down resistors from the D+ and D- lines to ground. On the implementation of USB systems, the radiated and conducted EMI should be kept within the required
levels as stated by the FCC regulations. In addition to the requirements of termination and EMC compatibility, the computing devices are required to be tested for ESD susceptibility.
The USBDFxxW5 provides the recommended line termination while implementing a low pass filter to limit EMI levels and providing ESD protection which exceeds IEC 61000-4-2 level 4 standard.
The device is packaged in a SOT323-5L, which is a very small (50% smaller than the standard SOT23).
Features
■ Monolithic device with recommended line
termination for USB downstream ports
■ Integrated Rt series termination and Ct
bypassing capacitors.
■ Integrated ESD protection
■ Small package size

